
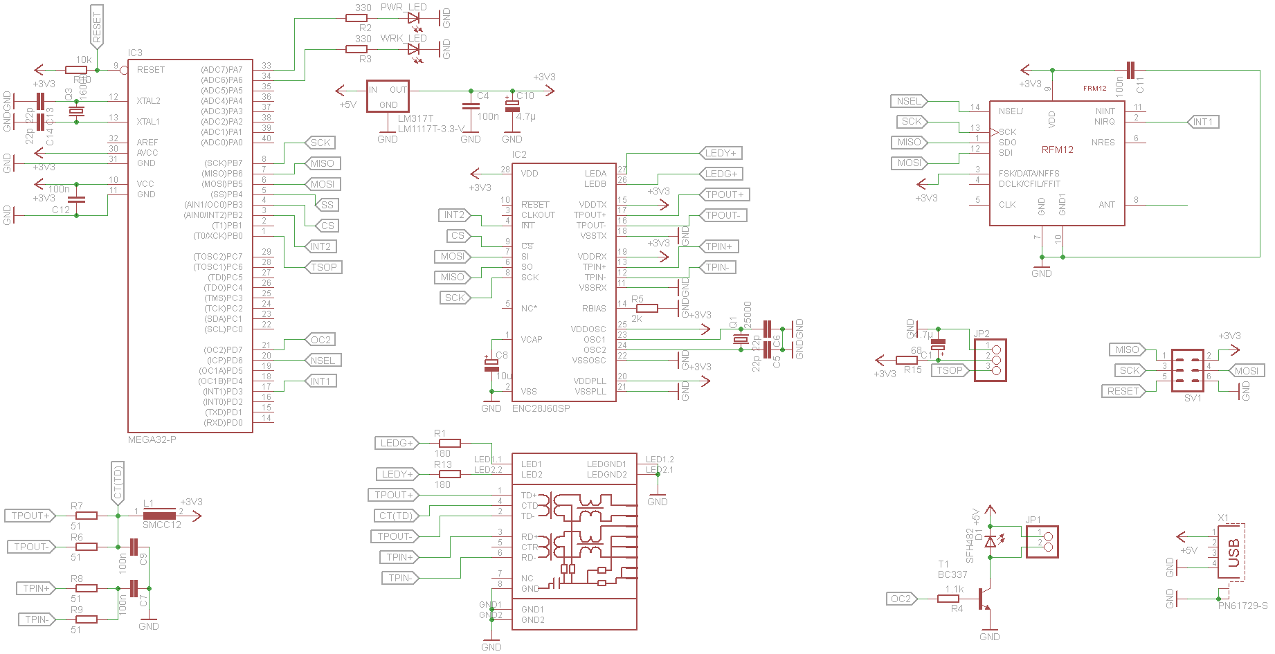
EAGLE Schaltplan

EAGLE Platinen Layout
Netzwerkbrücke
Nachdem ich einige Erfahrungen mit RFM12 gemacht habe wollte ich mich nun mal mit dem guten alten Kupfernetzwerk beschäftigen.
Ich entschied mich einen Nachfolger für mein USB 2 RFM12 Modul zu entwickelt. Da dieses im Wohnzimmer stehen soll fande ich es auch noch für angebracht Infrarot zu integrieren.
Hier hatte ich mal wieder das Glück das mir die Arbeit abgenommen wurde. Bei Mikrocontroller.net ist IRMP zu finden. Diese Bibliothek unterstützt die gängigsten Infrarot Protokolle.
Für RFM12 habe ich die von mir erweiterte RFM12lib Bibliothek von das Labor benutzt. Allerdings ohne das sich das Modul bei Gibson OS anmeldet.
Auf der Netzwerkseite habe ich mich von Ulrich Radig inspirieren lassen. Ich habe seine Bibliothek soweit abgespeckt das sie nur noch UDP versteht und sich bei Gibson OS anmelden kann. In der Version ist sie sogar auf einen mega8 lauffähig. Als Netzwerkchip nutze ich den ENC28J60 und als Magjack (Netzwerk Anschlußbuchse) kommt ein TRJ0011 zum Einsatz.
Benötigte Bauteile
| Anzahl | Position | Bezeichnung | Artikelnummer |
| 5 | C4, C7, C9, C11, C12 | Keramik-Kondensator 100N | KERKO 100N (Reichelt) |
| 4 | C5, C6, C13, C14 | Keramik-Kondensator 22P | KERKO 22P (Reichelt) |
| 2 | C1, C10 | Elko 63V 4.7μF | AX 4,7/63 (Reichelt) |
| 1 | C8 | Elko 63V 10.0μF | AX 10/63 (Reichelt) |
| 1 | D1 | Infrarot 5mm 880nm 20° | SFH 485 (Reichelt) |
| 1 | IC2 | Ethernet-Controller ENC28J60 | ENC 28J60-I/SP (Reichelt) |
| 1 | IC3 | ATmega 32A DIP | ATMEGA 32A-PU (Reichelt) |
| 1 | JP1, JP2 | Stiftleiste | SL 1X36G 2,54 (Reichelt) |
| 1 | L1 | Drosselspule 10μH | SMCC 10µ (Reichelt) |
| 1 | LM317T | Spannungsregler 3,3V | LM 1117 T3,3 (Reichelt) |
| 1 | PWR_LED | LED Grün | LED 5MM ST GN (Reichelt) |
| 1 | WRK_LED | LED Gelb | LED 5MM ST GE (Reichelt) |
| 1 | Q1 | Quarz 25.0MHz Oberton | 25,0000-HC49U-S (Reichelt) |
| 1 | Q3 | Quarz 16.0MHz Grundton | 16,0000-HC49U-S (Reichelt) |
| 2 | R1, R13 | Widerstand 180Ω | 1/4W 180 (Reichelt) |
| 2 | R2, R3 | Widerstand 330Ω | 1/4W 330 (Reichelt) |
| 1 | R4 | Widerstand 1,1kΩ | 1/4W 1,1K (Reichelt) |
| 1 | R5 | Widerstand 2kΩ | 1/4W 2,0K (Reichelt) |
| 4 | R6, R7, R8, R9 | Widerstand 51Ω | 1/4W 51 (Reichelt) |
| 1 | R10 | Widerstand 10kΩ | 1/4W 10K (Reichelt) |
| 1 | R15 | Widerstand 68Ω | 1/4W 68 (Reichelt) |
| 2 | SV1 | Wannenstecker 6-polig | WSL 6G (Reichelt) |
| 1 | T1 | Transitor NPN 337 | BC 337-40 (Reichelt) |
| 1 | T1 | Transitor NPN 337 | BC 337-40 (Reichelt) |
| 1 | U | Funkmodul RFM12B 433MHz 3,3V | FM-RFM12B-433-S1 (Octamex) |
| 1 | | Antenne 433Mhz SMA | ANT-SMA433-1L (Octamex) |
| 1 | | SMA Female 20cm | ST-SMAK-FE174-20 (Octamex) |
| 1 | U | Western TRXCOM TRJ0011 | 450 001 (Pollin) |
| 1 | X1 | USB Serie B gewinkelt | USB BW (Reichelt) |
| 2 | | Buchsenleiste | BL 1X10G8 2,54 (Reichelt) |
| 1 | | Schaltdraht Rot | 560 353 (Pollin) |
| 1 | | Schaltdraht Schwarz | 560 348 (Pollin) |
| 1 | | Gehäuse | 460 006 (Pollin) |
| 1 | | Streifenrasterplatine | H25SR050 (Reichelt) |
| 1 | | IR-Empfänger-Module TSOP31236 | TSOP 31236 (Reichelt) |
| 1 | IC2 | Sockel 28-polig | GS 28P (Reichelt) |
| 1 | IC3 | Sockel 40-polig | GS 40P (Reichelt) |
RFM Protokoll

Fertig gelötete Platine

Fertig gelötete Platine mit Antenne

Fertig gelötete Platine mit Antenne von Unten
Ich habe mich auch entschloßen das Funkprotokoll zu erweitern. Es wird jetzt die Absenderadresse mitgeschickt sowie eine Paketnummer. Außerdem wurde ein Fehler bei der Checksummerberechnung entfernt.
Empfangsbestätigung
| |
Länge |
Bytenummer |
| Daten Typ |
1 |
1 |
| Paketnummer |
1 |
2 |
| Senderadresse |
1 |
3 |
| Checksumme |
1 |
4 |
Handshake empfangen
| |
Länge |
Bytenummer |
| Daten Typ |
1 |
1 |
| Modul Typ |
1 |
2 |
| Modulname |
1-16 |
3-18 |
| Paketnummer |
1 |
4-19 |
| Senderadresse |
1 |
5-20 |
| Checksumme |
1 |
6-21 |
Handshake senden
| |
Länge |
Bytenummer |
| Daten Typ |
1 |
1 |
| Adresse |
1 |
2 |
| Gruppen Adresse 1 |
1 |
3 |
| Gruppen Adresse 2 |
1 |
4 |
| Gruppen Adresse 3 |
1 |
5 |
| Gruppen Adresse 4 |
1 |
6 |
| Modulnamen Länge |
1 |
7 |
| Modulname |
1-16 |
8-15 |
| Paketnummer |
1 |
9-16 |
| Senderadresse |
1 |
10-17 |
| Checksumme |
1 |
11-18 |
Nicht gesetzte Gruppen Addressen beinhalten die Modul Adresse.
Status anfordern
| |
Länge |
Bytenummer |
| Daten Typ |
1 |
1 |
| Paketnummer |
1 |
2 |
| Senderadresse |
1 |
3 |
| Checksumme |
1 |
4 |
Status empfangen
| |
Länge |
Bytenummer |
| Daten Typ |
1 |
1 |
| Daten |
1-192 |
2-193 |
| Paketnummer |
1 |
3-194 |
| Senderadresse |
1 |
4-195 |
| Checksumme |
1 |
5-196 |
Daten
| |
Länge |
Bytenummer |
| Daten Typ |
1 |
1 |
| Daten |
1-192 |
2-193 |
| Paketnummer |
1 |
3-194 |
| Senderadresse |
1 |
4-195 |
| Checksumme |
1 |
5-196 |
ETH Protokoll

Gehäuse von Innen

Gehäuse von Innen

Gehäuse von der Seite
Ich verzichte bei meinem Netzwerkmodulen auf TCP. Denn TCP hat einiges an Overhead. Was in meinem Fall die Kommunikation nur verlangsamen würde. So entschied ich mich für UDP. Die Kommunikation darüber ist sehr einfach. Ein Paket reciht aus um mit der Gegenstelle zu kommunizieren. Das passt mir sehr gut in den Kramm da es so meinem RFM Protokoll ähnlich ist und ich vieles davon abgucken kann.
Empfangsbestätigung
| |
Länge |
Bytenummer |
| Daten Typ |
1 |
1 |
| Paketnummer |
1 |
2 |
| Senderadresse |
1 |
3 |
| Checksumme |
1 |
4 |
Handshake empfangen
| |
Länge |
Bytenummer |
| Daten Typ |
1 |
1 |
| Modul Typ |
1 |
2 |
| Modulname |
1-16 |
3-18 |
| Paketnummer |
1 |
4-19 |
| Senderadresse |
1 |
5-20 |
| Checksumme |
1 |
6-21 |
Handshake senden
| |
Länge |
Bytenummer |
| Daten Typ |
1 |
1 |
| Adresse |
1 |
2 |
| Modulnamen Länge |
1 |
7 |
| Modulname |
1-16 |
8-15 |
| Paketnummer |
1 |
9-16 |
| Senderadresse |
1 |
10-17 |
| Checksumme |
1 |
11-18 |
Status anfordern
| |
Länge |
Bytenummer |
| Daten Typ |
1 |
1 |
| Paketnummer |
1 |
2 |
| Senderadresse |
1 |
3 |
| Checksumme |
1 |
4 |
Status empfangen
| |
Länge |
Bytenummer |
| Daten Typ |
1 |
1 |
| Daten |
1-192 |
2-193 |
| Paketnummer |
1 |
3-194 |
| Senderadresse |
1 |
4-195 |
| Checksumme |
1 |
5-196 |
Daten
| |
Länge |
Bytenummer |
| Daten Typ |
1 |
1 |
| Daten |
1-192 |
2-193 |
| Paketnummer |
1 |
3-194 |
| Senderadresse |
1 |
4-195 |
| Checksumme |
1 |
5-196 |
Vorhandene Probleme
Ich habe bei Radig zwar gelesen das das Netzwerkmodul gelegentlich neu startet. Doch bei mir macht er es leider einigemale pro Stunde. Außerdem streikt der Funk noch ziemlcih. Er geht in den ersten paar Sekunden oder Minuten doch dann plötzlich nicht mehr auch der reset des Modules hilft nicht. Erst nachdem man es vom Strom abgezogen hat klappt es wieder für kurze Zeit.
Download
EAGLE Schaltplan & Layout Download
AtmelStudio Projekt